编号2187产品详细信息        快捷询单
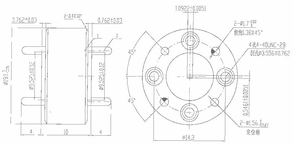
产品型号: HD-2200WAL10 产品名称: 直波导 库存数量: 3
性能参数: L=10mm 铜材镀金 重量:0.03kg FUGP
产品外形图